联邦法律规定,拨浪鼓要符合拨浪鼓的标准和其它要求,
包括2008年《美国消费品安全改进法》的要求。
在拨浪鼓经过美国消费品安全委员会认可的第三方实验室
检测合规以后,拨浪鼓生产商和进口商必须经由儿童产品证书
证明拨浪鼓符合标准和任何其它要求。这些要求在下面和
www.cpsc.gov/BusinessEducation网站上讨论。
什么是拨浪鼓?
拨浪鼓是一种婴儿玩具:
- 用于手持,
- 通常带有小球或其它小物件,
- 摇动时发出响声。
并不是所有发出类似那种响声的产品都是拨浪鼓。娃娃、
毛绒玩具、婴儿床转盘和锻炼器、钥匙链上的塑料钥匙、游戏
和拼图、以及铃鼓和沙锤等乐器都不是拨浪鼓。
拨浪鼓法规的目的是什么?
拨浪鼓法规的目的是防止婴儿由于拨浪鼓哽塞或窒息。该规则要求
- 在某些检测之后,拨浪鼓保持完整一块,
- 拨浪鼓的设计和构造使其不能进入婴儿的嘴,封住他或她的喉咙。
在哪里可以找到拨浪鼓的要求?
该法规公布在《联邦法规》16 CFR Part 1510中。
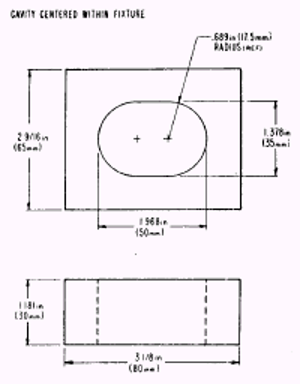
怎样检测拨浪鼓,以确保它不会使孩子无法呼吸?
将拨浪鼓放置在检测夹具的开口中(将拨浪鼓置于最有可能通过开口的位置。)
如果拨浪鼓的任何一部分不受任何推拉就通过开口了,拨浪鼓就没有通过检测。

图1 - 拨浪鼓检测夹具
在进行冲击、扭力、拉压检测(见16 CFR §1500.51)之后,再重复这个检测。这些检测模拟了0-18个月的儿童正常使用和滥用拨浪鼓时可能会使用的力量。如果这些检测后拨浪鼓或者拨浪鼓上脱落的任何一块能够通过开口,拨浪鼓就没有通过检测。
对摇铃还有其它要求吗?
有。拨浪鼓不得有尖锐的角或边缘。(见《联邦法规》16 CFR §1500.48和16 CFR §1500.49。这些要求无须第三方检测。)
2008年《美国消费品安全改进法》对拨浪鼓有什么其它要求?
拨浪鼓受表面涂层、铅和邻苯二甲酸酯含量限制、强制性玩具标准(ASTM F963)、检测和认证、以及追踪标签等要求的管控。这些要求在下面和www.cpsc.gov/BusinessEducation网站上讨论:
F963 玩具标准 根据ASTM F 963,无论是制造响声的部分,还是拨浪鼓的手柄,末端都不能是可能造成孩子无法呼吸的球、半球、或者圆形。如果这种形状的末端能够通过补充检测夹具的开口,拨浪鼓可能存在窒息的危险。

图2 - 拨浪鼓补充检测夹具
- 邻苯二甲酸酯含量限制 拨浪鼓不得含有超过0.1%的以下邻苯二甲酸酯:邻苯二甲酸二(2-乙基己基)酯(DEHP)、邻苯二甲酸二正丁酯(DBP)、或者邻苯二甲酸丁基苄酯(BBP)。另外,拨浪鼓不得含有超过0.1%的邻苯二甲酸二异壬酯(DINP)、邻苯二甲酸二异葵酯(DIDP)、或者邻苯二甲酸二正辛酯(DnOP),只要禁止这三种邻苯二甲酸酯的临时法定禁令继续有效就不可以。
- 检测与认证 像所有为12岁或12岁以下儿童设计或者为主要使用对象的产品一样,拨浪鼓必须由美国消费品安全委员会认可的第三方实验室检测是否符合拨浪鼓的标准和所有其它适用儿童产品安全规则。在检测基础上,拨浪鼓的国内生产商(或进口商)必须出具儿童产品证书,具体说明每一个适用的规则,并说明该产品符合这些规则。
- 追踪标签 拨浪鼓必须具备追踪标签或者其他明显的附在产品及其包装上的永久性标识。在可行的情况下,追踪标签应该是产品及其包装上永久性明显标识,必须带有某些基本信息,包括产品来源、生产日期和批次信息,例如批次号或者序列号。
我在哪里可以得到更多的信息?
如果需要更多拨浪鼓规定的信息,请联络美国消费品安全委员会:
- 合规办公室(有关具体执行问题):电邮:section15@cpsc.gov;
电话:(301)504-7520。
- 小企业监察员(一般帮助,理解和遵守美国消费品安全委员会的规定):电邮:请使用我们的联络表格,这是获得快速回应的最佳方法。电话:(888) 531-9070。
要获得ASTM F963 文本,请联系ASTM国际标准组织:www.astm.org或致电:
(610) 832-9585。
本文仅为提供一般信息而准备,内容是在所提供的事实和信息基础上编写。本文不是,其原意也不是提供法律见解,也未经过委员会的审阅或批准,因此不一定代表委员会的意见。本文表达的所有观点都有可能被委员会改写或取而代之。
